Rapid Pro WC-Element
Technische Produktinformationen
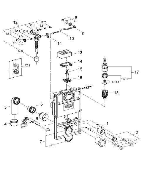
| Pos.-Nr. | Prod. Beschreibung | Bestell-nr. |
|---|---|---|
| *Sonderzubehör | ||
| 1 | Gewindebolzen | 43023000 |
| 2 | WC Zu- und Ablaufgarnitur | 37311K00 |
| 2.1 | Beckenbefestigung | 43511SH0 |
| 2.2 | Verbinder | 37119000 |
| 3 | Ablaufbogen | 43909000 |
| 4 | Reduzierstück | 42242000 |
| 5 | Distanzrohr 3" | 42766000 |
| 6 | Wandhalter unten | 42952000 |
| 7 | Halterung für Ablaufbogen | 42243000 |
| 7.1 | Ablaufschellenbügel | 42949000 |
| 8 | Wasseranschluss | 42234000 |
| 9 | Eckventil | 42235000 |
| 10 | Anschlussschlauch | 42233000 |
| 10.1 | O-Ring | 0319100M |
| 11 | Halterung | 42195000 |
| 12 | Füllventil | 37095000 |
| 12.1 | Hebel | 43734000 |
| 12.1.1 | Dichtung | 4377000M |
| 12.2 | Ventilkopf | 43536000 |
| 12.3 | Membrane | 4375800M |
| 12.4 | Schraubkappe | 43735000 |
| 12.5 | Schwimmer | 4379100M |
| 12.6 | Dichtungssatz | 43722000* |
| 13 | Revisionsschutz | 42200000 |
| 14 | Schutzplatte | 42199000 |
| 15 | Hebel | 42197000 |
| 16 | Traverse | 42196000 |
| 17 | Servo-Ablaufventil komplett | 42899000 |
| 17.1 | Ablaufkolben | 43544000 |
| 17.1.1 | Dichtung | 43808000 |
| 18 | Ventilsitz | 42691000 |
Service Center
Grohe Deutschland Vertriebs GmbH
Zur Porta 9
32457 Porta Westfalica
Kundenservice Erreichbarkeit
| Mo. - Do. | 08:00 - 16:00 Uhr |
| Fr. | 08:00 - 15:00 Uhr |